
HZD600 系列电动机保护器是我公司研制的新一代低压交流电动机保护控制装置,适用于额定频率 50Hz,额定电压到 AC660V,额定电流至 820A 的电动机应用场所,该产品具备监测、控制、保护和总线通讯等功能为一体的低压电机保护装置
型号命名

选配功能:
n代表选配功能数量,R代表RS485,L代表漏电保护,T代表温度保护,M代表模拟量 输出,DI代表开关量输入,DO代表继电器输出,如不需要选配功能,无需填写;
性能特点
可用于 0.66KV 及以下电压等级各种电流规格电动机的全面保护
通过监测电动机三相回路的电流、电压等参数对电动机进行全面保护(具有启动时超时、过载、堵转、断相、不平衡、接地故障、漏电、短路、欠载、超温、过压、欠压、频率、欠功率因数、相序错乱等多种保护功能,可对电动机进行全面的保护并可选“抗晃电” 功能和欠、失压重启功能)
采用宽温型 LCD 以及高亮指示灯结合显示运行状态及数据
可编程设置,可现场方便地更改整定电流、保护定值等参数
可选配 1 路 RS485 通讯接口,采用 Modbus-RTU 协议后与后台组网通讯,也可选Profibus-DP 通讯方式
可选配 1 路 DC4~20mA 模拟量变送输出到后台工控机
提供 8 路开关量输入采集和 4 路继电器输出(增强型 ESS600+可提供 10DI、5DO)、可适用于多种启动控制方式
电源电压:AC/DC85V~265V(交直流通用,宽范围),方便设计应用
保护器主体采用 35mm 标准导轨安装方式、方便安装与拆卸
技术指标
■显示
点阵 LCD 显示
■测量精度精度 0.5 级
■信号输入
额定电压 AC 380V 、AC660V
额定电流 2A、5A、6.3A、30A、100A、200/5A 500/5A(大于 100A 时,需外接保护级 CT) 功耗 正常工作时≤10W、保护启动时≤15W
频率 50/60Hz
■辅助电源AC/DC 85~265V
■功能模块
通讯接口 支持 1 路 RS-485 通讯,Modbus-RTU 协议Profibus-DP 协议
变送输出 支持 1 路模拟量输出:4~20mA(选配) 开关量输入 标配 8 路,可增配至 10 路
开关量输出 标配 4 路继电器输出,可增配 5 路
■环 境
工作温度 -20℃ ~ +60℃ 存储温度 -25℃ ~ +70℃
相对湿度 ≤93RH,不结露、无腐蚀性气体场所海拔 ≤2500m
■安 全
绝缘电阻 ≥100MΩ 交流耐压 AC2KV/min
■EMC 电磁兼容
静电放电 严酷等级 III 级浪涌冲击 严酷等级 III 级
电快速瞬变脉冲群 严酷等级 III 级
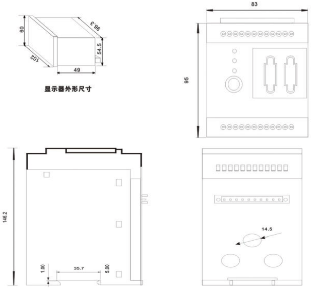
■外形尺寸(mm)
显示器面框尺寸 102×60
显示器开孔尺寸 96.5×54.5 本体 35mm 导轨安装
规格型号
注:保护器“电流规格”应略大于电动机铭牌电流,当铭牌电流<100A 时,主线路一次穿过自带电流互感器即可;当电流>100A 时,
需外置二次电流为 5A 的保护型电流互感器,二次 5A 电流信号一次穿过自带电流互感器,CT 变比可以在保护器内设置。选配功能可同
时选择多种,如果要选择漏电保护加温保护则功能代号为 ST。保护器本体与显示模块采用标准 DB9 串口线连接,订货时需标清 DB9
串口连接线长度,DB9 串口线标配 1 米,可选 1 米、3 米、5 米三种长度
外型尺寸及安装方式

注:保护器本体采用标准 35mm 导轨安装方式,本体与现实模块采用标准的 DB9 串口连接, DB9 串口线标配 1 米,可选 1 米、3 米、5 米三种长度
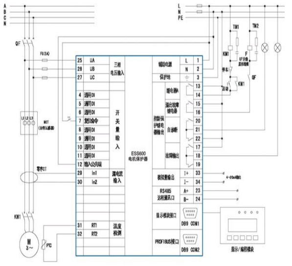
端子定义及接线图
端子定义(此端子定义与标准型 HZM600 完全对应,增强型 HZM600+稍有区别,具体见相对 应接线图)

典型控制模式接线图
下面主要列举标准型 HZM600 最常用的三种控制模式接线图:保护模式接线图、直接启动模式接线图和双向可逆启动模式接线图,以及增强型 HZM600+保护模式、直接启动模式接线图。其余不常用的控制模式(星/三角启动模式、自藕变压器启动模式、双速启动模式、直 接启动控制断路器模式)接线图如需查看,请致电到我们公司技术支持部
注 1:远程启动、停车、复位控制只有在 DI5(本地/远程选择)接通为远程控制的时候才有效,此时本地显示模块无法进行启动、停车、复位控制。“紧急停车”按钮与保护器本体上的红色复位按钮一样,不受远方/就地状态限制。上图中的远程启动按钮、停车/复位按钮、 紧急停车按钮都采用点动式,停车/复位按钮短按为停车,长按>3 秒停车并复位
注 2:图中 MCT 为保护器自带电流互感器,≤100A 电流规格保护器,主线路由上而下一次穿芯即可;当电动机的额定电流大于 100A 时,需接外部保护 CT,将 CT 二次侧 5A 电流线一次穿过保护器 MCT
注 3:当保护器检测到的故障电流大于接触器的最大分断能力电流时(须预先在保护器系统参数中设置好接触器最大分断电流:如 9 倍 Ie),先保持继电器 A 为原闭合状态(此时不跳接触器,否则接触器的主触头容易损伤),待“溢出故障继电器“吸合动作(脉冲),控 制断路器分闸来保护电动机和线路后,延时 1 秒再释放继电器 A,断开接触器,报”溢出故障敗
注 4:选择漏电保护功能时,应选取合适穿线孔径的零序电流互感器(电动机回路 A、B、C 三相线同时穿过零序电流互感器)
HZD600 保护模式接线图

HZD600直接启动模式接线图

增强型 HZD600+直接启动模式接线图

微信扫码 关注我们
销售电话13655315855
技术支持15610133588
Copyright © 2021 济南汇致智能科技有限公司 版权所有 地址:济南市历城区七里河路 2-9 号