
HZD400 系列电动机保护器是我公司研制的新一代低压交流电动机保护控制装置,适用于额定频率 50Hz,额定电压到 AC660V,额定电流至 820A 的电动机应用场所,该产品具备监测、控制、保护和总线通讯等功能为一体的低压电机保护装置
型号命名

选配功能:
n代表选配功能数量,R代表RS485,L代表漏电保护,T代表温度保护,M代表模拟量 输出,DI代表开关量输入,DO代表继电器输出,如不需要选配功能,无需填写;
性能特点
全电量测量(测量 I,U,P,Q,F,WH 等)
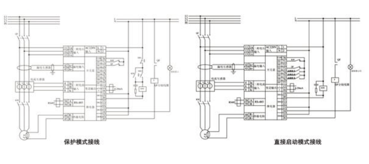
内置 4 路继电器,可设置成直接启动方式、正反启动方式、星/三角启动两继电器方式、自耦变压器启动两继电器模式、双速电机启动模式、断路器直接启动模式和保护方式
保护功能齐全,每种保护功能可实现保护的投退、报警或跳闸
最大保存最近 99 条带时标故障记录
可编程模拟量输出功能,标准 RS-485 通讯接口
模块化设计,体积小,结构灵活;与标准 80 型尺寸相同
可以测量电压、电流、温度和频率信号为保护提供更多依据
超宽范围工作电源 AC/DC 85-265V
技术指标
■显示
笔段 LCD 显示/点阵 LCD 全中文显示
■测量精度精度 0.5 级
■信号输入
电机额定电压 AC380V AC660V 额定电流 0.5-820A
温度(选配) -40℃~+80℃ 漏电流 (选配) 0~1A
功 耗 <5 VA 频率 50/60Hz
■辅助电源AC/DC 85~265V
■功能模块
通讯接口 支持 1 路 RS-485 通讯,Modbus-RTU 协议变送输出 支持 1 路模拟量输出:4~20mA(选配) 开关量输出 HZD401 4 入 3 出,HZD403 7 入 4 出
继电器触点容量 5A/250VAC ,5A/30VDC(常开触点)
■产品标准
GB/T 14048.1 低电压开关设备和控制设备总则
GB/T 14048.4 低压开关设备和控制设备 低压机电式接触器和电动机起动器JB/T 10613-2006 数字式电动机综合保护装置通用技术条件
JB/T 10736-2007 低压电动机保护器
■环 境
工作温度 -20℃~+60℃ 存储温度 -40℃~+80℃ 相对湿度 ≤93RH
海拔 不超过 3000 米
大气条件 使用地点不允许有易爆介质,以及含有腐蚀金属和破坏绝缘的气体和导电介质
■安 全
绝缘电阻 ≥100MΩ 交流耐压 AC2KV/min
■电气试验
静电放电 严酷等级 III 级浪涌冲击 严酷等级 III 级
耐压特性 电源/输入输出两两之间 AC2kV/1min
■外形尺寸(mm) 面框尺寸 83×83 开孔尺寸 76×76
接线方式

微信扫码 关注我们
销售电话13655315855
技术支持15610133588
Copyright © 2021 济南汇致智能科技有限公司 版权所有 地址:济南市历城区七里河路 2-9 号